Ken Shirriff’s blog has a fantastic and detailed teardown of a 555 timer, the ubiquitous decades-old timer circuit that turns up in so many places:
If you’ve played around with electronic circuits, you probably know the 555 timer integrated circuit, said to be the world’s best-selling integrated circuit with billions sold. Designed by analog IC wizard Hans Camenzind in 1970, the 555 has been called one of the greatest chips of all time with whole books devoted to 555 timer circuits.
Given the popularity of the 555 timer, I thought it would be interesting to find out what’s inside the 555 timer and how it works. While the 555 timer is usually sold as a black plastic IC, it is also available in a metal can, which can be cut open with a hacksaw revealing the tiny die inside.
Ken takes us through the history, use, die, and individual transistor circuits implemented on the die on his blog. It’s a fascinating read well worth spending an hour exploring.
I don’t get into 555s that often myself, but last summer Retrovoltage built an LED flasher circuit centered around a 555 for local Seattle band Breakaway Derringer‘s drummer. (They’re a great band that’s worth checking out if you enjoy cowboy punk rock!)

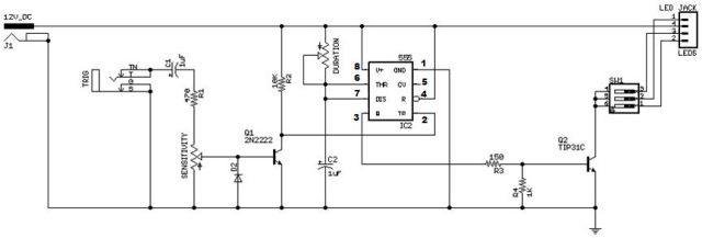
The 555 operates in single-shot mode, driven by a drum trigger sensor to switch on a TIP31C power transistor supplying power to LED strips.
The drum project was based on an Instructable that he found. You can find that Instructable here…but if you do, pay careful attention to the pin numbering on the schematic, which borders on nonsensical and definitely does not match the physical layout of the chip.
He’s only using one, but you can do some pretty neat effects with this idea.
![penny[1]](https://retrovoltage.com/wp-content/uploads/2016/02/penny1.jpg?w=300&h=202)
![DSC_0539[1]](https://retrovoltage.com/wp-content/uploads/2016/02/dsc_05391.jpg?w=640&h=361)
![DSC_0544[1]](https://retrovoltage.com/wp-content/uploads/2016/02/dsc_05441.jpg?w=640&h=361)
![FTPE3T8HJAHF15D.LARGE[1]](https://retrovoltage.com/wp-content/uploads/2016/02/ftpe3t8hjahf15d-large1.jpg?w=640&h=218)
Interesting! I remember when they came out.