I’m looking for a new summer project, and think I’m going to branch off from repairing radios to building some of my own gear. I’m interested in making a tube hi-fi stereo amplifier to go with my old speakers – and it’s something I can build. Audiophiles, guitar enthusiasts, and other people into tube audio have driven the price of most of the good audio tubes higher than I’m interested in paying, though.
The 6V6 audio tube is known and loved by enthusiasts everywhere, and came in a variety of other versions with different ratings, different glass, different power supply requirements but pretty much all produce the same output. I’m interested in making a miniature-tube amplifier, so I’ll be starting with the 6AQ5A tube – but these are pretty expensive. An alternately powered version, the 5AQ5 goes for only about $2/each so that looks like a winner.
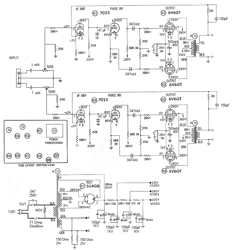
I’ll be basing my amplifier on the Silvertone 69A, a dual-channel push-pull stereo amplifier manufcatured in 1960. This amplifier used a 5U4 rectifier tube to supply the high voltage. By replacing the tube rectifier (right, above) with a pair of 1N4007 silicon diodes (left, above) I’ll free up the 5V power supply. A set of four 5AQ5s draws 2.4A of current; a 5U4 draws 3A of current so there’s more power to spare and a guarantee of being able to find cheap hi-fi tubes for years to come without a lot of competition.
The schematic – with some bias and output mods – not showing the power supply or output tube modifications – that I’m basing the design is here (click for larger version!):
This should be a good sounding little amp if I get around to actually completing construction. I have most of the iron [transformers] in stock already, it’s just a question of buying some hardware and spending the time required to wire it. We’ll see.




I used to be recommended this web site by my cousin. I am not positive whether this publish is written through him as no one else know such exact about my trouble. You’re incredible! Thanks! Take a look at my webpage . thnk u!!
Just so you will know, there is a 5V6GT which is the 5 volt filament version of the 6V6GT, and the 5V6GT’s are are cheaper than the 6V6GT if you want to go octal based power output tubes.
That’s a great tip, thanks. I think I might even go that route – parallel push-pull 6V6 amplifiers are incredibly common.